- HOME
- CORAL CARE
- 接着関連
サンゴケア & Fragging関連
本製品は熟練した職人が手作りで製作するアートデコレーションロックです。自然界のライブロックでは
なかなかできないレイアウトを作り出す事が可能です。
材料や製法に技術があり、多孔質化にも成功。ライブロック同様の水質浄化効果も期待できます。
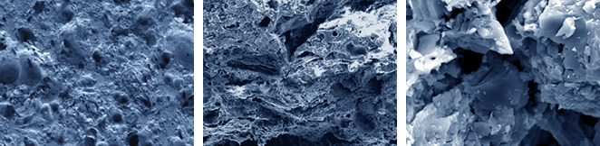
多孔質素材のCeramEco VidaRock は自然界のライブロックと同様に多数のバクテリアが
コロニーを形成するので水質浄化作用があります。
下図拡大写真は多孔質な本製品にバクテリアが付着している様子


水質浄化作用以外にも多数の特徴があります。
- ・病原菌の持込が極めて少ない
- ・コケや藻類、不要な微生物の持込が極めて少ない
- ・簡単にすばらしいレイアウトが可能
- ・ライブロックのように石灰藻を再現した特殊加工( 一部加工されていないロックもあります。)
軽く真水やぬるま湯ですすいで表面の汚れを落としてからご使用ください。本製品にはバクテリアや微生物は付着していませんので、水質浄化を期待する場合には別途バクテリアや少量のライブロックを入れてください。
本製品がライブロックと同様のレベルに水質を浄化( バクテリアが繁殖) するまでには日数がかかります。
十分なメインろ過機を取り付けてください。
複数のロックを組み合わせる事でより高度なレイアウトも製作可能です。












